Step-over bench Stainlees Steel
Step-over bench Stainlees steel AISI 304, foot
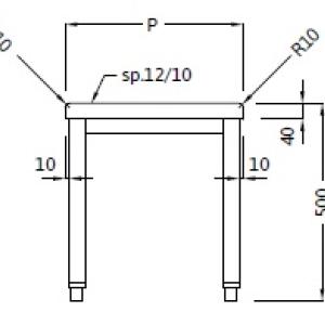
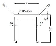
Step-over bench Frame structure in stainless steel AISI 304 fully welded 40×40mm tube, 1.00mm thick. Top in AISI 304 sheet, 1.20mm thick with inner plywood reinforcement and stainless steel lower cover. Rounded (R=10mm) longer edges. On adjustable feet.
Description
- Stainless Steel AISI 304
- No shoes recover
- Feet


