Panca INOX con 1 portascarpe
Panca in acciaio INOX AISI 304 su piedini con 1 vano portascarpe.
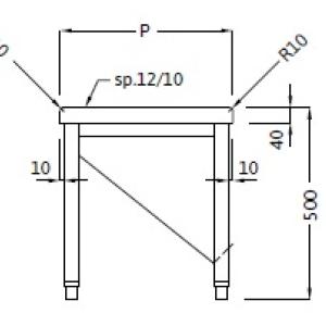
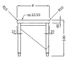
Panca centrale Struttura in tubo di acciaio inox AISI 304 mm40×40 sp. 10/10 interamente saldata. Portascarpe singolo inclinato singolo saldato alla struttura. Piano di seduta in AISI 304 sp.12/10 con rinforzo interno e tamponamento sottopiano in acciaio inox. Lati lunghi raggiati R10. Piedini di livellamento.
Descrizione
- Acciaio inox AISI 304
- Con 1 vano portascarpe
- Piedini


