Panca INOX con 2 portascarpe
Panca in acciaio INOX AISI 304 su piedini con 2 vani portascarpe.
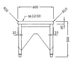
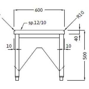
Panca centrale con portascarpe doppio Struttura in tubo di acciaio inox AISI 304 mm40×40 sp. 10/10 interamente saldata. Portascarpe doppio inclinato sui due lati saldato alla struttura. Piano di seduta in AISI 304 sp. 12/10 con rinforzo interno e tamponamento sottopiano in acciaio inox. Lati lunghi raggiati R10. Piedini di livellamento.
Descrizione
- Acciaio inox AISI 304
- Con 2 vani portascarpe
- Piedini


